斷電復位執行器
HL-L系列斷電復位型執行器,適用扭矩范圍50 Nm to 250 Nm,內置鋰電池和相應的控制電路, 當外部電源斷電時,根據要求進行預設斷電關閥,斷電開閥,斷電停止三種狀態。確保可靠的 電子故障安全定位。
設計特點
通過開關預設斷電復位位置(開/關/停止)
大扭矩,適合大閥門
穩定的鋰電池電源,具有更長待機壽命和耐溫性能
內置過載保護:當閥門被堵塞時,執行器自動停止運行
模塊化設計:便于生產和維護

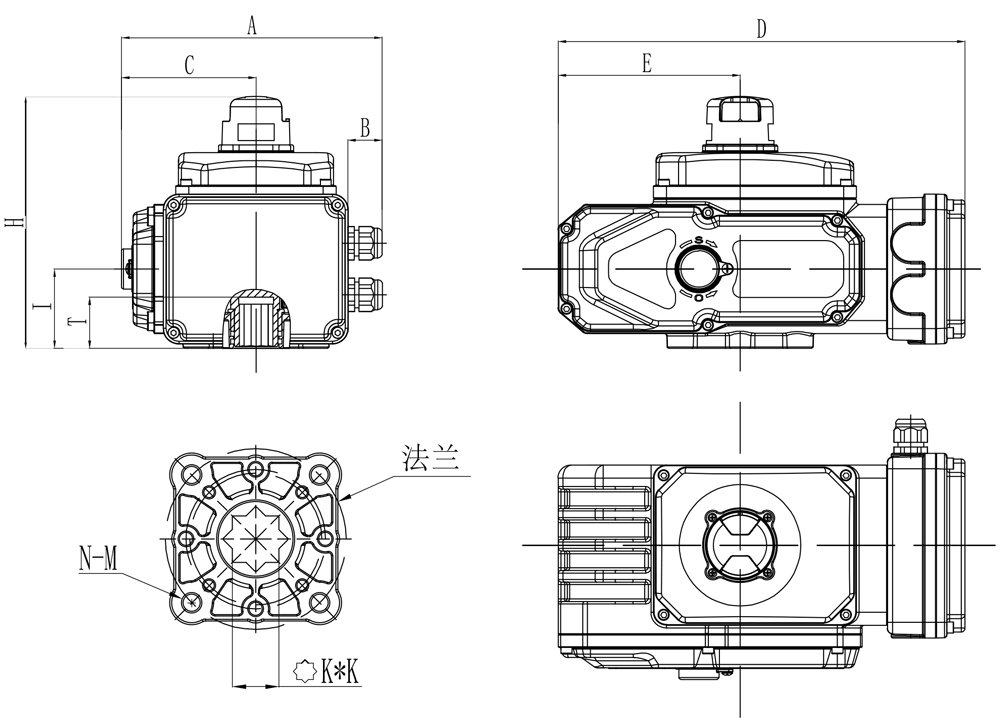
產品尺寸

技術參數
型號 | A | B | C | D | E | H | T | I | K*K | 法蘭 | N-M |
HL1-05 | 170 | 26 | 75 | 213 | 87 | 130 | 26 | 42 | 9*9 11*11 14*14 | F03 F05 F07 | 4-M5 4-M6 4-M8 |
HL2-10 HL2-16 | 171 | 26 | 82.5 | 253 | 105 | 139 | 35 | 52 | 14*14 17*17 | F05 F07 | 4-M6 4-M8 |
HL3-25 | 210 | 26 | 104 | 315 | 140 | 159 | 45 | 61.5 | 17*17 22*22 | F07 F10 F12 | 4-M8 4-M10 4-M12 |
型號 | 扭矩 (N.m) | 運行時間 (S/90°) | 電機功率 (w) | 額定電流 (A) | |
24VDC | 220VAC | ||||
HL1-05 | 50 | 20 | 15 | 0.7 | 1.0 |
HL2-10 | 100 | 15 | 25 | 0.7 | 1.0 |
HL2-16 | 160 | 20 | 25 | 0.7 | 1.0 |
HL3-25 | 250 | 15 | 40 | 0.7 | 1.0 |